安全门锁MD1系列
MD系列安全门锁特性
◆ 符合CE规范满足ISO13849等级PLd
◆ 符合 EN 60947-5-1、ISO14119 CCC 认证
◆ 多种触点组合(4 组、5 组、6 组)可选
◆ 本体头部可旋转;本体头部4 个方向以及顶部均 可插入操作钥匙
◆ 锁定强度超过1300N
MD1系列安全门锁技术参数

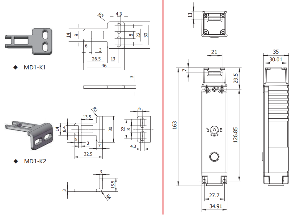
MD1系列安全门锁尺寸图(MM)

MD1系列安全门锁本体型号编码规则

MD1系列安全门锁锁定 / 释放方式

MD1系列安全门锁执行钥匙编码规则

MD1系列安全门锁执行钥匙选型表

MD1系列安全门锁触点类型

MD1系列安全门锁本体型号选型表

MD1系列安全门锁触点类型及动作形式

